Subplates
Size 32 Subplates



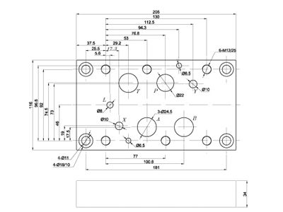
Size 25 Subplates





Size 16 Subplates





Size 10 Subplates

FV/FRV FVP/FRVP series throttle check valves are used to regulate the speed of actuators simply and precisely.







Size 6 Subplates




















FV/FRV FVP/FRVP series throttle check valves are used to regulate the speed of actuators simply and precisely.












