Directional Control Valves
4DWBE PROPORTION DIRECTION VALVE-ELECTRIC FEEDBACK

4DWBE series, controlled by proportional electromagnet, are direct operated proportional directional valves with electrical feedback. It is used to control the liquidity’s flow and direction.

Technical data:
Spool symbols:
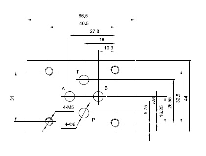
4DWBE6 Installation dimensions:
4DWBE10 Installation dimensions:
4DWGR TYPE PROPORTIONAL DIRECTIONAL VALVES,ELECTRO-HYDRAULICALLY OPERATED

4DWGRZ series, controlled by proportional electromagnet ,are pilot operated proportional directional valves which translate the electrical signals into the hydraulically signals.It is used to control the liquidity's flow and direction. 4DWGRH series,controlled by proportional electromagnet,are remote control operated proportional directional valves.4DWGRH's principle and function is the same as 4DWGRZ.
Technical data:
Spool symbols:
4DWGR10 Installation Dimensions:
4DWGR16 Installation Dimensions:
4DWGR25 Installation Dimensions:
4DWGR32 Installation Dimensions:
4DWBA DIRECT DIRECTIONAL PROPORTIONAL VALVE

4DWBA series,direct operated directional proportional valve, is controlled by the proportional electromagnet. It is used to control the liquidity's flow and direction.
Technical data:
Spool symbols:
4DWBA6 Installation Dimensions:
4DWBA10 Installation Dimensions:
YS DOUBLE-DIRECTION HYDRAULIC LOCK

YS series double-direction lock is used to close two oil ports for pressure maintaining. The valve features: long time no leakage, good pressure maintaining.
Technical data:
Installation Dimensions Oil connection ports:
QE SERIES SOLENOID OPERATED UNLOADING BALL VALVES

QE series solenoid operated unloading ball valve is used to control the opening and closing in pilot return lines. It is often used for releasing the pressure in pressure-maintaining return lines.
Installation Dimensions:
QDE SERIES DIRECTIONAL BALL VALVES

QDE series are solenoid operated poppet valves, they are used to control the start, stop and direction of flow.
Technical data:
Installation Dimensions:
WHG SERIES HYDRAULIC OPERATED DIRECTIONAL VALVES

WHG series hydraulic operated directional valves can be used to change the direction of hydraulic oil by moving the main spool when the valve receives a hydraulic signal from the pilot hydraulic oil.
Installlation dimensions refer to DWHG.
DWHG SOLENOID PILOT OPERATED DIRECTIONAL VALVES

DWHG series are solenoid pilot operated spool type valves. This series are used to control the start, stop and direction of flow.
Technical data:
Spool symbols:
Pilot fluid supply:


DWMG16,25,32 MANUALLY OPERATED DIRECTIONAL VALVES

DWMG16, DWMG25, DWMG32 series manually operated directional valves are direct type directional valves, It can control the start, stop & direction of fluid flow. This series with detent or return spring are available.
Technical data:
Spool symbols:
Note: Only 4DWMG16 With S: 
4DWMG16 Installation Dimensions:
4DWMG25 Installation Dimensions:
4DWMG32 Installation Dimensions:
DWMG 10 SERIES MANUALLY OPERATED DIRECTIONAL VALVE

DWMG 10 series manually operated directional valves are direct type directional valves, It can control the start, stop & direction of fluid flow. This series with detent or return spring are available.
Technical data:
Spool symbols:
4DWMG10 Installation Dimensions:
DWMG 6 SERIES MANUALLY OPERATED DIRECTIONAL VALVES

DWMG 6 series manually operated directional valves are direct type directional valves, It can control the tart, stop & direction of fluid flow. This series with detent or return spring are available.
Technical data:
DWMG6 Spool symbols:
4DWMG6 Installation Dimensions:
DWG10 SOLENOID OPERATED DIRECTIONAL CONTROl VALVES

DWG series directional control valves are solenoid operated directional spool valves, these valves are used to the start, stop and direct flow.
Technical data:
Spool symbols:
Installation Dimensions:
DWG6 SOLENOID OPERATED DIRECTIONAL CONTROl VALVES

DWG 6 series directional control valves are solenoid operated directional spool valves, these valves are used to the start, stop and direct flow.
Technical data:
Spool symbols:
Installation Dimensions:
DSV/DSL PILOT OPERATED CHECK VALVES

DSV/DSL pilot operated check valves allow free flow in one direction and block flow in the counter direction to maintain presure. The oil is allowed to flow in the counter direction when the X port is connected. DSV is designed for internally drained, DSL is designed for externally drained.
Technical data:
Subplate mounting dimensions:
Threaded connection dimensions:
.
RVP SERIES CHECK VALVES

RVP series check valves allow free flow in one direction and block flow in the counter direction.
The valve connection is subplate mounting.
Technical data:
RVP Installation Dimensions:
DS SERIES CHECK VALVES

DS series check valves allow free flow in one direction and block flow in the counter direction.
Technical data:
Subplate dimensions:


